Entrega rápida
Entrega expressa de 30 dias



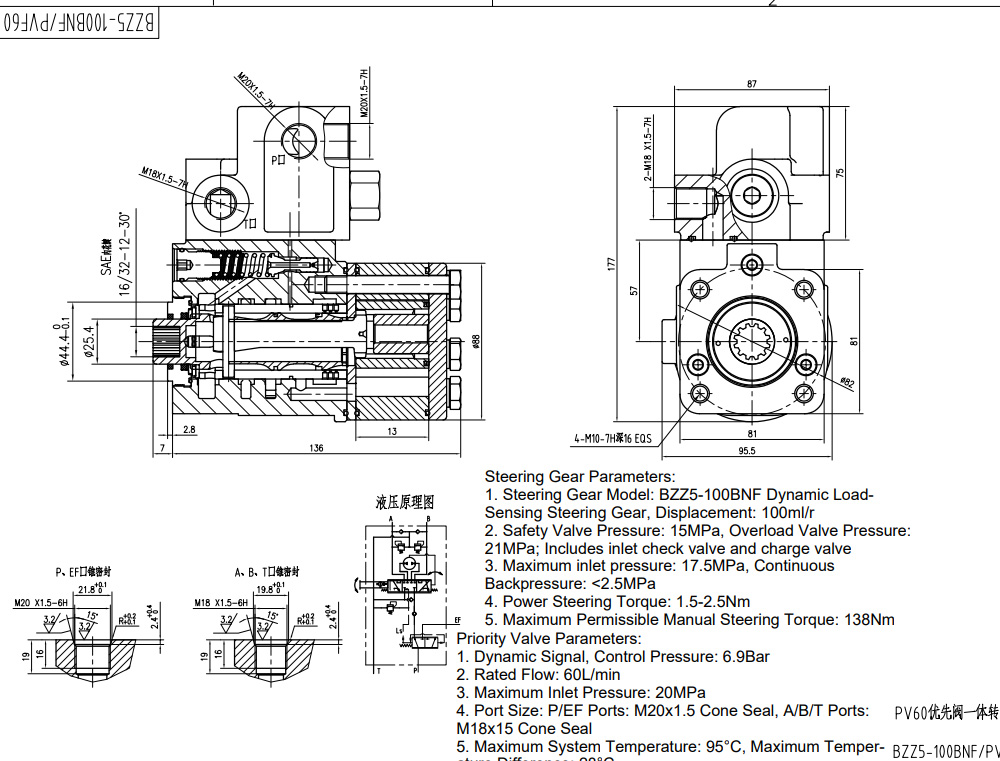
A unidade de direção hidráulica 101S-5T-80-PV60 é uma solução de alto desempenho, durável e personalizável para diversas aplicações em manuseio de materiais, construção, agricultura e veículos industriais. Com um deslocamento de 80 ml/r e uma pressão máxima de entrada de 17.5 MPa, oferece controle de direção confiável para uma ampla gama de equipamentos.
| Série 10 Unidade de Direção Parameters | |
|---|---|
| Deslocamento | 50 ml/r, 63 ml/r, 100 ml/r, 80 ml/r, 125 ml/r, 160 ml/r, 200 ml/r, 250 ml/r, 280 ml/r, 315 ml/r, 400 ml/r |
| Material | Ferro Fundido |
| Fluxo Nominal | 5 L/min, 6 L/min, 8 L/min, 10 L/min, 12,5 L/min, 16 L/min, 20 L/min, 25 L/min, 28 L/min, 31,5 L/min, 40 L/min |
| Bloco de Válvulas | Personalizável |
| Pressão máxima de retorno contínua | 2,5 Mpa |
| Pressão máxima de entrada | 17,5 Mpa |
A unidade de direção hidráulica 101S-5T-80-PV60 é um componente robusto e eficiente, projetado para ambientes exigentes. Construída com uma carcaça de ferro fundido para durabilidade e longevidade superiores, possui um deslocamento de 80 ml/r e uma pressão máxima de entrada de 17.5 MPa, garantindo uma direção potente e responsiva. A pressão máxima de retorno contínua de 2.5 MPa melhora ainda mais sua confiabilidade e desempenho. Seu fluxo nominal de 8 L/min contribui para um controle de direção suave e preciso. O bloco de válvulas é personalizável, permitindo a adaptação a requisitos e aplicações específicas da máquina. Esta unidade é ideal para uma variedade de equipamentos, incluindo empilhadeiras, manipuladores telescópicos, carregadeiras skid steer, carregadeiras de rodas compactas, mini-escavadeiras, tratores, retroescavadeiras, varredoras, colheitadeiras e muito mais. Seu alto desempenho e operação confiável a tornam uma escolha econômica e eficiente para OEMs, ODMs e distribuidores que buscam uma solução de direção hidráulica de alta qualidade. Oferecemos serviços de fabricação, OEM, ODM, personalização e atacado, buscando ativamente distribuidores, atacadistas, agentes e parceiros comerciais globalmente.



