Entrega rápida
Entrega expressa de 30 dias



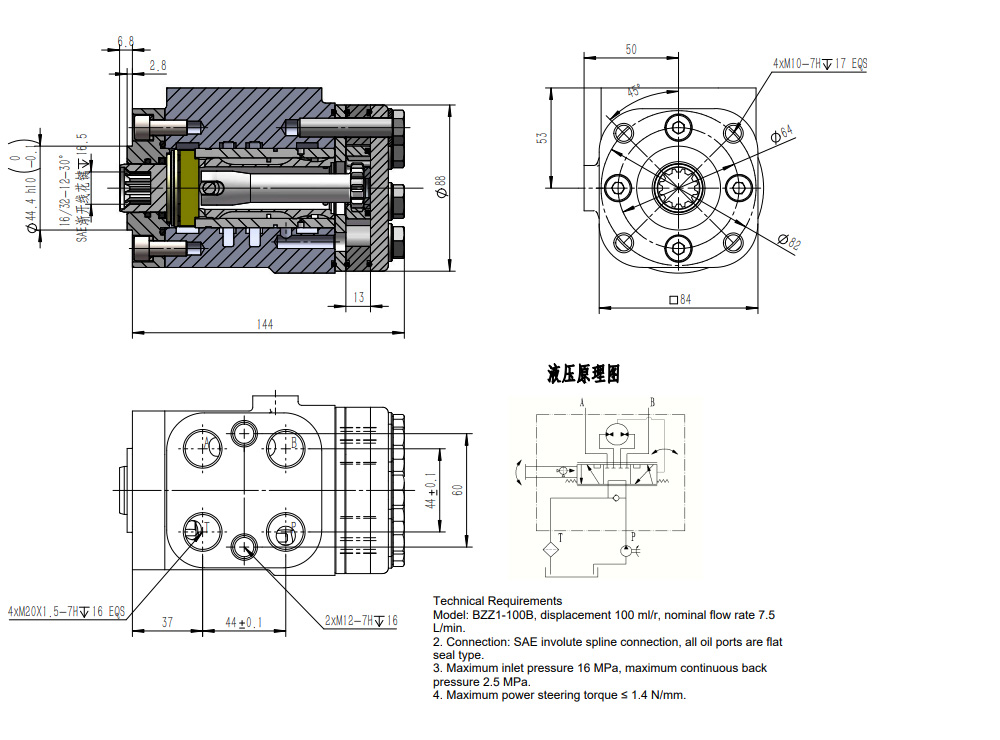
A unidade de direção BZZ1-E100C é um componente hidráulico robusto e personalizável com um deslocamento de 100 ml/r, projetado para diversas aplicações em manuseio de materiais, construção, agricultura e veículos industriais. Possui uma pressão de entrada máxima de 16 MPa e construção em ferro fundido para maior durabilidade. Oferecemos opções de fabricação, OEM, ODM e atacado globalmente.
| Série BZZ1 Unidade de Direção Parameters | |
|---|---|
| Deslocamento | 50 ml/r, 63 ml/r, 100 ml/r, 80 ml/r, 125 ml/r, 160 ml/r, 200 ml/r, 250 ml/r, 280 ml/r, 315 ml/r, 400 ml/r, 500 ml/r, 630 ml/r, 800 ml/r, 1000 ml/r |
| Bloco de Válvulas | Personalizável |
| Material | Ferro Fundido |
| Fluxo Nominal | 5 L/min, 6 L/min, 4 L/min, 7,5 L/min, 9,5 L/min, 12 L/min, 15 L/min, 19 L/min, 21 L/min, 24 L/min, 30 L/min, 38 L/min, 48 L/min, 60 L/min, 75 L/min |
| Pressão máxima de retorno contínua | 2,5 Mpa |
| Pressão máxima de entrada | 16 Mpa |
A BZZ1-E100C é uma unidade de direção hidráulica de alto desempenho, ideal para uma ampla gama de aplicações. Suas principais características incluem:
* **Capacidade de Alta Pressão:** Com uma pressão de entrada máxima de 16 MPa, lida com condições operacionais exigentes.
* **Construção Durável:** O material de ferro fundido garante confiabilidade a longo prazo e resistência ao desgaste.
* **Bloco de Válvula Personalizável:** Permite configurações sob medida para atender aos requisitos específicos da aplicação, aumentando a flexibilidade e a eficiência.
* **Alta Taxa de Fluxo:** A vazão nominal de 7,5 L/min proporciona uma operação de direção responsiva e suave.
* **Aplicações Versáteis:** Adequado para diversos tipos de equipamentos, incluindo empilhadeiras, manipuladores telescópicos, carregadeiras compactas, carregadeiras de rodas compactas, mini-escavadeiras, tratores, colheitadeiras e enfardadeiras.
* **Alcance Global:** Oferecemos serviços de fabricação, OEM, ODM e atacado para distribuidores, revendedores e agentes em todo o mundo. Estamos comprometidos em fornecer produtos de alta qualidade e um serviço excepcional ao cliente. Entre em contato conosco para discutir suas necessidades específicas e explorar potenciais parcerias.



