Entrega rápida
Entrega expressa de 30 dias



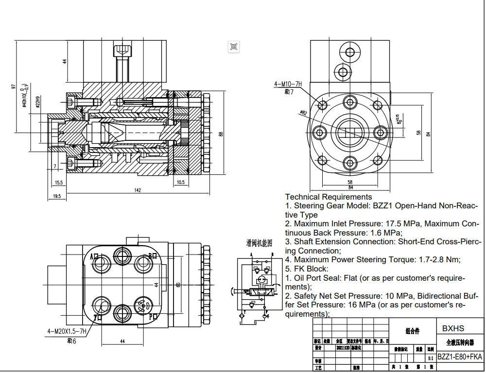
A unidade de direção hidráulica BZZ1-E80+FKA é uma unidade de deslocamento de 80ml/r robusta e personalizável com uma pressão de entrada máxima de 16 MPa. Ideal para várias aplicações em movimentação de materiais, construção, agricultura e veículos industriais, oferece controle de direção confiável com uma vazão nominal de 6 L/min. Fabricada em ferro fundido, possui um bloco de válvulas personalizável para um desempenho sob medida. Oferecemos opções de fabricação, OEM, ODM e atacado.
| Série BZZ1 Unidade de Direção Parameters | |
|---|---|
| Deslocamento | 50 ml/r, 63 ml/r, 100 ml/r, 80 ml/r, 125 ml/r, 160 ml/r, 200 ml/r, 250 ml/r, 280 ml/r, 315 ml/r, 400 ml/r, 500 ml/r, 630 ml/r, 800 ml/r, 1000 ml/r |
| Bloco de Válvulas | Personalizável |
| Material | Ferro Fundido |
| Fluxo Nominal | 5 L/min, 6 L/min, 4 L/min, 7,5 L/min, 9,5 L/min, 12 L/min, 15 L/min, 19 L/min, 21 L/min, 24 L/min, 30 L/min, 38 L/min, 48 L/min, 60 L/min, 75 L/min |
| Pressão máxima de retorno contínua | 2,5 Mpa |
| Pressão máxima de entrada | 16 Mpa |
A unidade de direção hidráulica BZZ1-E80+FKA proporciona um controle de direção preciso e potente para uma vasta gama de máquinas. Sua capacidade de alta pressão (16 MPa) garante operação confiável mesmo sob cargas pesadas. O deslocamento de 80 ml/r e a vazão nominal de 6 L/min proporcionam uma resposta de direção eficiente. A robusta construção em ferro fundido garante durabilidade e longevidade em ambientes exigentes. O bloco de válvulas personalizável permite soluções adaptadas para atender a requisitos específicos de aplicação, otimizando o desempenho e a eficiência. Oferecemos modelos de negócios flexíveis, incluindo fabricação, OEM (Original Equipment Manufacturing), ODM (Original Design Manufacturing) e opções de atacado, permitindo soluções personalizadas e pedidos em massa para atender às suas necessidades específicas. Estamos buscando ativamente distribuidores, atacadistas, agentes e empresas comerciais globalmente. Entre em contato conosco para discutir seus requisitos e explorar possíveis parcerias.



