Entrega rápida
Entrega expressa de 30 dias



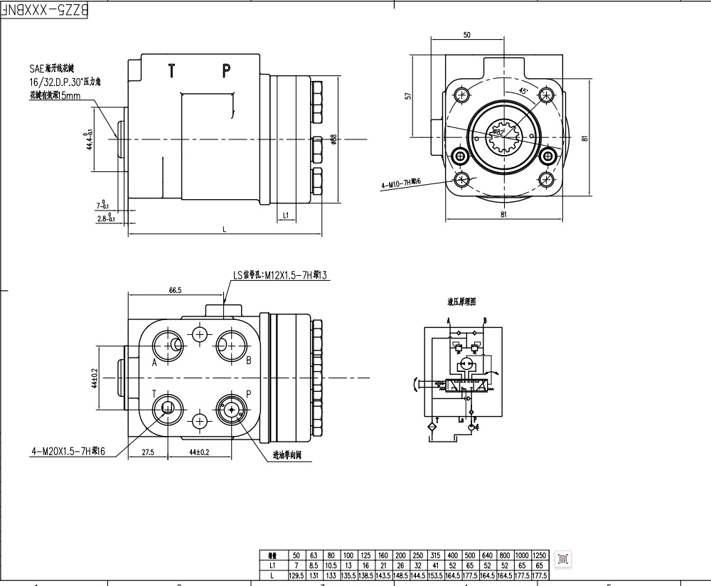
A unidade de direção hidráulica BZZ5-E100B é uma solução robusta e personalizável para diversas aplicações em manuseio de materiais, construção, agricultura e veículos industriais. Com um deslocamento de 100 ml/r e pressão máxima de entrada de 16 MPa, oferece desempenho confiável em ambientes exigentes. Oferecemos serviços de fabricação, OEM, ODM e atacado.
| Série BZZ5 Unidade de Direção Parameters | |
|---|---|
| Deslocamento | 50 ml/r, 63 ml/r, 100 ml/r, 80 ml/r, 125 ml/r, 160 ml/r, 200 ml/r, 250 ml/r, 280 ml/r, 315 ml/r, 400 ml/r, 500 ml/r, 630 ml/r, 800 ml/r, 1000 ml/r |
| Bloco de Válvulas | Personalizável |
| Material | Ferro Fundido |
| Fluxo Nominal | 5 L/min, 6 L/min, 4 L/min, 7,5 L/min, 9,5 L/min, 12 L/min, 15 L/min, 19 L/min, 21 L/min, 24 L/min, 30 L/min, 38 L/min, 48 L/min, 60 L/min, 75 L/min |
| Pressão máxima de retorno contínua | 1,6 Mpa |
| Pressão máxima de entrada | 16 Mpa |
A unidade de direção BZZ5-E100B possui um deslocamento de 100 ml/r e uma pressão máxima de entrada de 16 MPa, garantindo um controle de direção potente e responsivo. Sua vazão nominal de 7.5 L/min proporciona operação eficiente. Construída em ferro fundido durável, esta unidade é feita para suportar condições adversas. O bloco de válvulas personalizável permite configurações sob medida para atender aos requisitos específicos da aplicação. Isso a torna adequada para uma ampla gama de máquinas, incluindo empilhadeiras, manipuladores telescópicos, carregadeiras skid steer, carregadeiras de rodas compactas, tratores, miniescavadeiras, retroescavadeiras, colheitadeiras e enfardadeiras. Oferecemos soluções completas de fabricação, incluindo opções OEM, ODM e atacado, proporcionando parcerias flexíveis para distribuidores, atacadistas e agentes globalmente. Entre em contato conosco para discutir suas necessidades específicas e explorar as possibilidades de personalização para otimizar o desempenho do seu equipamento.



