Entrega rápida
Entrega expressa de 30 dias



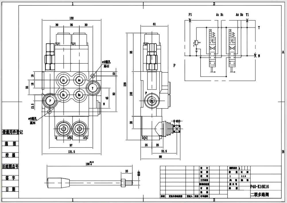
A Válvula Direcional Monobloco Manual de 2 Carretéis P40-G12-G38-2QTW é uma válvula hidráulica de alto desempenho projetada para aplicações exigentes em várias indústrias. Com um fluxo nominal de 40 L/min e uma pressão máxima de 250 bar, esta válvula oferece controle de fluxo confiável e eficiente para sistemas hidráulicos. Seu design monobloco compacto oferece benefícios de economia de espaço, enquanto o controle manual garante uma operação precisa e responsiva.
| Série P40 Válvula Direcional Monobloco Parameters | |
|---|---|
| Método de Controle | Manual, Pneumático, Eletropneumático, Eletrohidráulico, Solenoide, Hidráulico, Hidráulico e Manual, Cabo, Joystick, Manual e Joystick |
| Carrétel | 1 carretel, 2 carretéis, 3 carretéis, 4 carretéis, 5 carretéis, 6 carretéis, 7 carretéis |
| Fluxo Nominal | 40 L/min (10,5 US gpm) |
| Pressão Máxima | 250 bar (3600 psi) |
| Porta de Entrada | G3/8, G1/2, M18×1.5, M22×1.5, SAE 8, SAE 10, 3/8 NPT, 1/2 NPT |
| Porta de Saída | G3/8, G1/2, M18×1.5, M22×1.5, SAE 8, SAE 10, 3/8 NPT, 1/2 NPT |
| Tamanho da Porta | G3/8, G1/2, M18×1.5, SAE 8, SAE 10, 3/8 NPT, 1/2 NPT |
| Secção | 1 secção, 2 secções, 3 secções, 4 secções, 5 secções, 6 secções, 7 secções |
| Tipo de estrutura | Válvula monobloco |
| Intervalo de temperatura ambiente | -40 °C a +80 °C (-40 °F a +176 °F) |
| Intervalo de viscosidade operacional | 15 - 75 mm²/s (15 cSt a 75 cSt) |
**Características e Benefícios do Produto:**
* Alta capacidade de fluxo e pressão para aplicações exigentes
* Design monobloco compacto para instalação que economiza espaço
* Controle manual para operação precisa e responsiva
* Construção durável para desempenho de longa duração
* Adequado para uma ampla gama de sistemas hidráulicos
**Aplicações:**
* Equipamentos de manuseio de materiais
* Máquinas de construção e terraplenagem
* Veículos agrícolas
* Veículos industriais
**Modelos de Máquinas Aplicáveis:**
* Manipuladores telescópicos
* Empilhadeiras
* Guindastes todo-o-terreno
* Empilhadeiras
* Plataformas aéreas
* Motoniveladoras
* Midi-escavadeiras
* Mini-escavadeiras
* Minicarregadeiras
* Carregadeiras de rodas compactas



