Entrega rápida
Entrega expressa de 30 dias



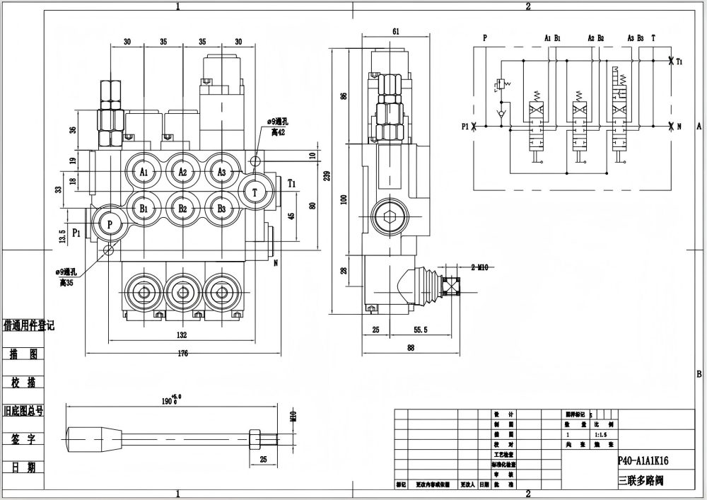
A Válvula Direcional Monobloco Manual de 3 Carretes P40-G12-G38 é uma válvula hidráulica de alto desempenho projetada para aplicações exigentes. Com uma vazão nominal de 40 L/min e uma pressão máxima de 250 bar, esta válvula pode lidar com uma ampla gama de fluidos hidráulicos e condições operacionais. O design de 3 carretes permite o controle preciso do fluxo hidráulico, tornando-a adequada para diversas aplicações. Esta válvula é construída com materiais duráveis e é projetada para resistir a ambientes agressivos, garantindo um desempenho confiável mesmo nas condições mais desafiadoras.
| Série P40 Válvula Direcional Monobloco Parameters | |
|---|---|
| Método de Controle | Manual, Pneumático, Eletropneumático, Eletrohidráulico, Solenoide, Hidráulico, Hidráulico e Manual, Cabo, Joystick, Manual e Joystick |
| Carrétel | 1 carretel, 2 carretéis, 3 carretéis, 4 carretéis, 5 carretéis, 6 carretéis, 7 carretéis |
| Fluxo Nominal | 40 L/min (10,5 US gpm) |
| Pressão Máxima | 250 bar (3600 psi) |
| Porta de Entrada | G3/8, G1/2, M18×1.5, M22×1.5, SAE 8, SAE 10, 3/8 NPT, 1/2 NPT |
| Porta de Saída | G3/8, G1/2, M18×1.5, M22×1.5, SAE 8, SAE 10, 3/8 NPT, 1/2 NPT |
| Tamanho da Porta | G3/8, G1/2, M18×1.5, SAE 8, SAE 10, 3/8 NPT, 1/2 NPT |
| Secção | 1 secção, 2 secções, 3 secções, 4 secções, 5 secções, 6 secções, 7 secções |
| Tipo de estrutura | Válvula monobloco |
| Intervalo de temperatura ambiente | -40 °C a +80 °C (-40 °F a +176 °F) |
| Intervalo de viscosidade operacional | 15 - 75 mm²/s (15 cSt a 75 cSt) |
**Características e Vantagens do Produto:**
* Controle manual para operação precisa
* Design de 3 carretes para controle de fluxo versátil
* Construção monobloco para durabilidade e confiabilidade
* Ampla faixa de viscosidade operacional para compatibilidade com diversos fluidos hidráulicos
* Adequado para ambientes agressivos com uma faixa de temperatura ambiente de -40°C a +80°C
**Aplicações:**
Esta válvula é amplamente utilizada em diversas indústrias, incluindo:
* Máquinas industriais
* Equipamentos de construção
* Máquinas agrícolas
* Equipamentos de manuseio de materiais
**Aplicações específicas incluem:**
* Manipuladores telescópicos
* Empilhadeiras
* Guindastes
* Empilhadores
* Plataformas aéreas
* Escavadeiras
* Carregadeiras compactas (Bobcat)
* Carregadeiras de rodas compactas



