Entrega rápida
Entrega expressa de 30 dias



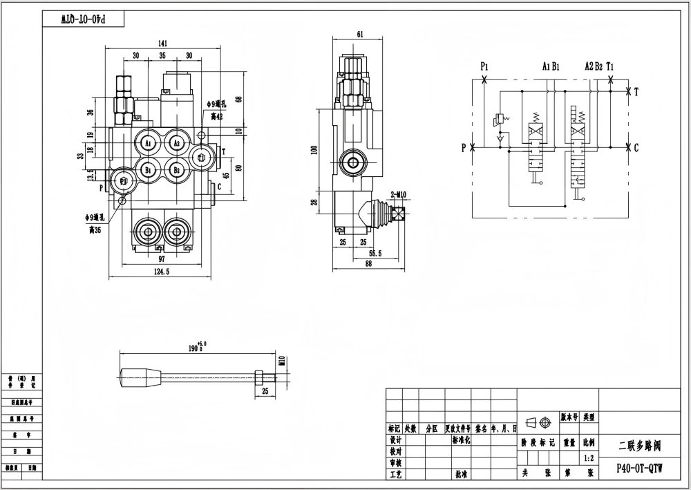
A Válvula Direcional Monobloco Manual de 2 Carretéis P40-G12-G38-OT-QTW é uma válvula hidráulica de alto desempenho projetada para uso em uma ampla gama de aplicações industriais. Com um fluxo nominal de 40 L/min e uma pressão máxima de 250 bar, esta válvula é capaz de lidar com sistemas hidráulicos exigentes. Seu design monobloco compacto e método de controle manual facilitam a integração em sistemas existentes.
| Série P40 Válvula Direcional Monobloco Parameters | |
|---|---|
| Método de Controle | Manual, Pneumático, Eletropneumático, Eletrohidráulico, Solenoide, Hidráulico, Hidráulico e Manual, Cabo, Joystick, Manual e Joystick |
| Carrétel | 1 carretel, 2 carretéis, 3 carretéis, 4 carretéis, 5 carretéis, 6 carretéis, 7 carretéis |
| Fluxo Nominal | 40 L/min (10,5 US gpm) |
| Pressão Máxima | 250 bar (3600 psi) |
| Porta de Entrada | G3/8, G1/2, M18×1.5, M22×1.5, SAE 8, SAE 10, 3/8 NPT, 1/2 NPT |
| Porta de Saída | G3/8, G1/2, M18×1.5, M22×1.5, SAE 8, SAE 10, 3/8 NPT, 1/2 NPT |
| Tamanho da Porta | G3/8, G1/2, M18×1.5, SAE 8, SAE 10, 3/8 NPT, 1/2 NPT |
| Secção | 1 secção, 2 secções, 3 secções, 4 secções, 5 secções, 6 secções, 7 secções |
| Tipo de estrutura | Válvula monobloco |
| Intervalo de temperatura ambiente | -40 °C a +80 °C (-40 °F a +176 °F) |
| Intervalo de viscosidade operacional | 15 - 75 mm²/s (15 cSt a 75 cSt) |
**Características e Benefícios do Produto:**
* Controle manual para operação precisa
* Design de 2 carretéis para versatilidade
* Construção monobloco para desempenho compacto e sem vazamentos
* Fluxo nominal de 40 L/min para alta eficiência
* Pressão máxima de 250 bar para durabilidade
* Faixa de viscosidade de operação de 15 - 75 mm²/s para compatibilidade com vários fluidos hidráulicos
* Faixa de temperatura ambiente de -40°C a +80°C para uso em ambientes agressivos
**Aplicações:**
* Equipamentos de manuseio de materiais
* Máquinas de construção e terraplenagem
* Máquinas agrícolas
* Veículos industriais
* Manipuladores telescópicos
* Empilhadeiras
* Guindastes todo-o-terreno
* Empilhadeiras
* Plataformas aéreas
* Motoniveladoras



