Entrega rápida
Entrega expressa de 30 dias



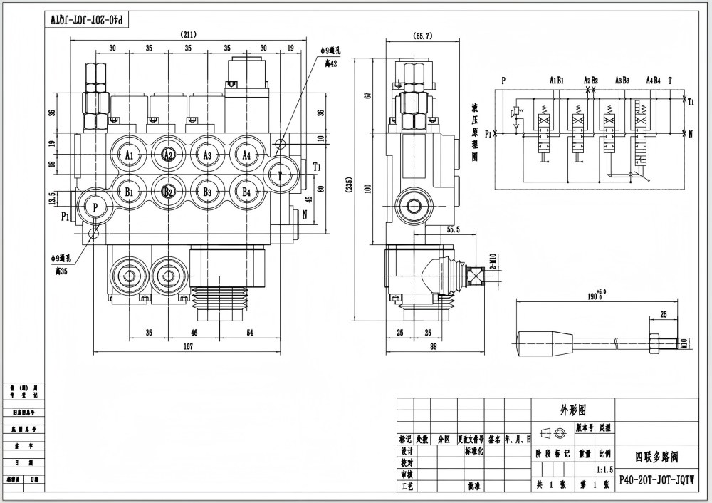
A Válvula Direcional Monobloco P40 Manual e Joystick de 4 Vias é uma válvula hidráulica de alto desempenho projetada para uso em aplicações exigentes que requerem controle preciso do fluxo de fluido. Com uma vazão nominal de 40 L/min (10.5 US gpm) e uma pressão máxima de 250 bar (3600 psi), esta válvula é adequada para uma ampla gama de aplicações nas indústrias de manuseio de materiais, construção, agricultura e veículos industriais.
| Série P40 Válvula Direcional Monobloco Parameters | |
|---|---|
| Método de Controle | Manual, Pneumático, Eletropneumático, Eletrohidráulico, Solenoide, Hidráulico, Hidráulico e Manual, Cabo, Joystick, Manual e Joystick |
| Carrétel | 1 carretel, 2 carretéis, 3 carretéis, 4 carretéis, 5 carretéis, 6 carretéis, 7 carretéis |
| Fluxo Nominal | 40 L/min (10,5 US gpm) |
| Pressão Máxima | 250 bar (3600 psi) |
| Porta de Entrada | G3/8, G1/2, M18×1.5, M22×1.5, SAE 8, SAE 10, 3/8 NPT, 1/2 NPT |
| Porta de Saída | G3/8, G1/2, M18×1.5, M22×1.5, SAE 8, SAE 10, 3/8 NPT, 1/2 NPT |
| Tamanho da Porta | G3/8, G1/2, M18×1.5, SAE 8, SAE 10, 3/8 NPT, 1/2 NPT |
| Secção | 1 secção, 2 secções, 3 secções, 4 secções, 5 secções, 6 secções, 7 secções |
| Tipo de estrutura | Válvula monobloco |
| Intervalo de temperatura ambiente | -40 °C a +80 °C (-40 °F a +176 °F) |
| Intervalo de viscosidade operacional | 15 - 75 mm²/s (15 cSt a 75 cSt) |
**Características e Benefícios do Produto:**
* Controle manual e joystick para operação precisa e fácil
* Construção monobloco para maior durabilidade e redução de vazamentos
* Design de 4 vias para controle de fluxo versátil
* Capacidade de fluxo de 40 L/min (10.5 US gpm) para operação eficiente
* Pressão máxima de 250 bar (3600 psi) para aplicações exigentes
* Ampla faixa de viscosidade de operação de 15 - 75 mm²/s (15 cSt a 75 cSt) para compatibilidade com vários fluidos
* Ampla faixa de temperatura ambiente de -40°C a +80°C (-40°F a +176°F) para uso em ambientes extremos
**Aplicações:**
* Equipamentos de manuseio de materiais, como empilhadeiras, manipuladores telescópicos e guindastes
* Equipamentos de construção, como escavadeiras, carregadeiras e motoniveladoras
* Máquinas agrícolas, como tratores e colheitadeiras
* Veículos industriais, como varredoras, compactadores e manipuladores de resíduos



