Entrega rápida
Entrega expressa de 30 dias



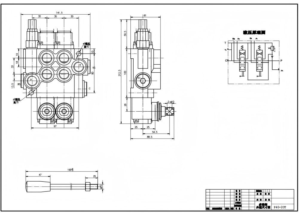
A P40-XNHJ é uma válvula hidráulica direcional monobloco robusta, manual, de 2 seções, com uma vazão nominal de 40 L/min e uma pressão máxima de 250 bar. Ideal para diversas aplicações em manuseio de materiais, construção, agricultura e veículos industriais, esta válvula oferece controle e desempenho confiáveis em ambientes exigentes.
| Série P40-XNHJ Válvula Direcional Monobloco Parameters | |
|---|---|
| Método de Controle | Manual, Pneumático, Eletropneumático, Eletrohidráulico, Solenoide, Hidráulico, Hidráulico e Manual, Cabo, Joystick, Manual e Joystick |
| Carrétel | 1 carretel, 2 carretéis, 3 carretéis, 4 carretéis, 5 carretéis, 6 carretéis, 7 carretéis |
| Fluxo Nominal | 40 L/min (10,5 US gpm) |
| Pressão Máxima | 250 bar (3600 psi) |
| Porta de Entrada | G3/8, G1/2, M18×1.5, M22×1.5, SAE 8, SAE 10, 3/8 NPT, 1/2 NPT |
| Porta de Saída | G3/8, G1/2, M18×1.5, M22×1.5, SAE 8, SAE 10, 3/8 NPT, 1/2 NPT |
| Tamanho da Porta | G3/8, G1/2, M18×1.5, SAE 8, SAE 10, 3/8 NPT, 1/2 NPT |
| Secção | 1 secção, 2 secções, 3 secções, 4 secções, 5 secções, 6 secções, 7 secções |
| Tipo de estrutura | Válvula monobloco |
| Intervalo de temperatura ambiente | -40 °C a +80 °C (-40 °F a +176 °F) |
| Intervalo de viscosidade operacional | 15 - 75 mm²/s (15 cSt a 75 cSt) |
A Válvula Direcional Monobloco Manual de 2 Seções P40-XNHJ é um componente hidráulico de alto desempenho projetado para aplicações exigentes. Sua estrutura monobloco compacta garante confiabilidade e durabilidade, enquanto seu controle manual oferece operação precisa. Com uma vazão nominal de 40 L/min e uma pressão máxima de 250 bar, é adequada para uma ampla gama de equipamentos. A ampla faixa de viscosidade e temperatura de operação da válvula (-40°C a +80°C) garante desempenho consistente em diversas condições. Suas duas seções permitem o controle versátil das funções hidráulicas. Esta válvula é ideal para uso em empilhadeiras, manipuladores telescópicos, minicarregadeiras, tratores, miniescavadeiras, retroescavadeiras, enfardadeiras, colheitadeiras e pulverizadores, proporcionando controle hidráulico confiável e eficiente para diversas operações. A P40-XNHJ é construída para suportar ambientes agressivos e oferecer desempenho de longa duração, tornando-a uma solução econômica para fabricantes de equipamentos originais (OEMs) e usuários finais. Oferecemos opções de fabricação, OEM, marca própria, personalização e atacado, e estamos buscando ativamente distribuidores, atacadistas, agentes e comerciantes globalmente.



