Entrega rápida
Entrega expressa de 30 dias



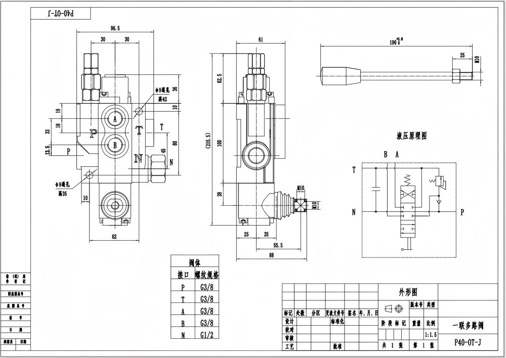
A Válvula Direcional Monobloco P40J Manual de 1 Carretel é uma válvula hidráulica de alto desempenho projetada para controle de fluxo preciso em vários sistemas hidráulicos. Com um fluxo nominal de 40 L/min e uma pressão máxima de 250 bar, esta válvula oferece operação confiável e eficiente. Seu design monobloco compacto garante durabilidade e fácil instalação.
| Série P40 Válvula Direcional Monobloco Parameters | |
|---|---|
| Método de Controle | Manual, Pneumático, Eletropneumático, Eletrohidráulico, Solenoide, Hidráulico, Hidráulico e Manual, Cabo, Joystick, Manual e Joystick |
| Carrétel | 1 carretel, 2 carretéis, 3 carretéis, 4 carretéis, 5 carretéis, 6 carretéis, 7 carretéis |
| Fluxo Nominal | 40 L/min (10,5 US gpm) |
| Pressão Máxima | 250 bar (3600 psi) |
| Porta de Entrada | G3/8, G1/2, M18×1.5, M22×1.5, SAE 8, SAE 10, 3/8 NPT, 1/2 NPT |
| Porta de Saída | G3/8, G1/2, M18×1.5, M22×1.5, SAE 8, SAE 10, 3/8 NPT, 1/2 NPT |
| Tamanho da Porta | G3/8, G1/2, M18×1.5, SAE 8, SAE 10, 3/8 NPT, 1/2 NPT |
| Secção | 1 secção, 2 secções, 3 secções, 4 secções, 5 secções, 6 secções, 7 secções |
| Tipo de estrutura | Válvula monobloco |
| Intervalo de temperatura ambiente | -40 °C a +80 °C (-40 °F a +176 °F) |
| Intervalo de viscosidade operacional | 15 - 75 mm²/s (15 cSt a 75 cSt) |
**Características e Benefícios do Produto:**
- Controle manual para regulação precisa do fluxo
- Construção monobloco para durabilidade e tamanho compacto
- Fluxo nominal de 40 L/min para desempenho eficiente do sistema
- Pressão máxima de 250 bar para aplicações exigentes
- Ampla faixa de viscosidade de operação (15 - 75 mm²/s) para compatibilidade com vários fluidos
- Faixa de temperatura de operação de -40°C a +80°C para desempenho confiável em diversas condições
**Aplicações:**
- Sistemas hidráulicos em equipamentos de construção
- Máquinas agrícolas
- Veículos industriais
- Equipamentos de manuseio de materiais
- Manipuladores telescópicos
- Empilhadeiras
- Guindastes todo-o-terreno
- Empilhadores
- Plataformas aéreas
- Motoniveladoras
- Escavadeiras
- Minicarregadeiras
- Carregadeiras de rodas compactas



