Entrega rápida
Entrega expressa de 30 dias



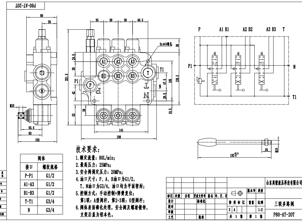
A Válvula Direcional Monobloco Manual P80-G12-G34-AT-2OT de 3 Carretéis é uma válvula de alto fluxo e alta pressão projetada para aplicações hidráulicas exigentes. Possui um método de controle manual, design de 3 carretéis e uma estrutura monobloco para maior durabilidade e confiabilidade. Com uma vazão nominal de 80 L/min e uma pressão máxima de 250 bar, esta válvula é adequada para uma ampla gama de aplicações em manuseio de materiais, construção e terraplenagem, agricultura e veículos industriais.
| Série P80 Válvula Direcional Monobloco Parameters | |
|---|---|
| Carrétel | 1 carretel, 2 carretéis, 3 carretéis, 4 carretéis, 5 carretéis, 6 carretéis, 7 carretéis |
| Método de Controle | Manual, Pneumático, Eletropneumático, Eletrohidráulico, Solenoide, Hidráulico, Hidráulico e Manual, Cabo, Joystick |
| Tamanho da Porta | G1/2, G3/4, M22×1.5, M27×2.0, SAE 10, 1/2 NPT, 3/4 NPT |
| Secção | 1 secção, 2 secções, 3 secções, 4 secções, 5 secções, 6 secções, 7 secções |
| Intervalo de temperatura ambiente | -40 °C a +80 °C (-40 °F a +176 °F) |
| Intervalo de viscosidade operacional | 15 - 75 mm²/s (15 cSt a 75 cSt) |
| Pressão Máxima | 315 bar (4600 psi) |
| Fluxo Nominal | 80 L/min (21,2 US gpm) |
| Tipo de estrutura | Válvula monobloco |
| Porta de Entrada | G1/2, G3/4, M27×2.0, SAE 10, SAE 12, 1/2 NPT, 3/4 NPT |
**Características e Benefícios do Produto:**
* Capacidade de alto fluxo de 80 L/min para operação eficiente
* Classificação de alta pressão de 250 bar para aplicações exigentes
* Método de controle manual para operação precisa e responsiva
* Design de 3 carretéis para controle versátil de múltiplas funções hidráulicas
* Estrutura monobloco para maior durabilidade e redução de vazamentos
* Ampla faixa de viscosidade operacional de 15 - 75 mm²/s para compatibilidade com vários fluidos hidráulicos
* Ampla faixa de temperatura ambiente de -40°C a +80°C para desempenho confiável em condições extremas
**Aplicações:**
* Manuseio de Materiais: Empilhadeiras, manipuladores telescópicos, guindastes, empilhadores, plataformas aéreas
* Construção e Terraplenagem: Escavadeiras, carregadeiras compactas (skid steer), carregadeiras de rodas compactas, motoniveladoras
* Agricultura: Tratores, colheitadeiras, enfardadeiras, pulverizadores
* Veículos Industriais: Varredeiras, compactadores de lixo, carregadores de caçambas (skip loaders), guindastes de gancho (hook-loaders)



