Entrega rápida
Entrega expressa de 30 dias



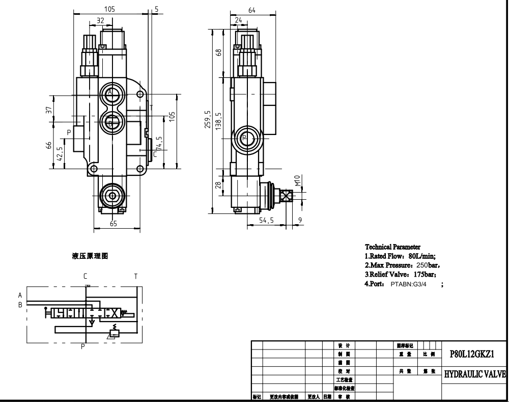
A Válvula Direcional Monobloco P80-G34-1OT Manual de 1 Carretel é uma válvula hidráulica de alto desempenho projetada para diversas aplicações nas indústrias de manuseio de materiais, construção, agricultura e veículos industriais. Possui um mecanismo de controle manual, um design de carretel único e uma construção monobloco robusta.
| Série P80 Válvula Direcional Monobloco Parameters | |
|---|---|
| Carrétel | 1 carretel, 2 carretéis, 3 carretéis, 4 carretéis, 5 carretéis, 6 carretéis, 7 carretéis |
| Método de Controle | Manual, Pneumático, Eletropneumático, Eletrohidráulico, Solenoide, Hidráulico, Hidráulico e Manual, Cabo, Joystick |
| Tamanho da Porta | G1/2, G3/4, M22×1.5, M27×2.0, SAE 10, 1/2 NPT, 3/4 NPT |
| Secção | 1 secção, 2 secções, 3 secções, 4 secções, 5 secções, 6 secções, 7 secções |
| Intervalo de temperatura ambiente | -40 °C a +80 °C (-40 °F a +176 °F) |
| Intervalo de viscosidade operacional | 15 - 75 mm²/s (15 cSt a 75 cSt) |
| Pressão Máxima | 315 bar (4600 psi) |
| Fluxo Nominal | 80 L/min (21,2 US gpm) |
| Tipo de estrutura | Válvula monobloco |
| Porta de Entrada | G1/2, G3/4, M27×2.0, SAE 10, SAE 12, 1/2 NPT, 3/4 NPT |
**Características e Benefícios do Produto:**
* Controle manual para operação precisa e confiável
* Design monobloco garante integridade estrutural e durabilidade
* Vazão nominal de 80 L/min (21.2 US gpm) para desempenho eficiente do sistema
* Pressão máxima de 250 bar (3600 psi) para aplicações exigentes
* Faixa de viscosidade operacional de 15 - 75 mm²/s (15 cSt a 75 cSt) para compatibilidade com diversos fluidos hidráulicos
* Ampla faixa de temperatura ambiente de -40°C a +80°C (-40°F a +176°F) para operação em diversos ambientes
**Aplicações:**
A Válvula Direcional Monobloco P80-G34-1OT Manual de 1 Carretel é ideal para uso em uma ampla gama de sistemas hidráulicos, incluindo:
* Equipamentos de manuseio de materiais (empilhadeiras, manipuladores telescópicos, empilhadores)
* Máquinas de construção (escavadeiras, carregadeiras, guindastes)
* Veículos agrícolas (tratores, colheitadeiras, enfardadeiras)
* Veículos industriais (varredoras, compactadores de lixo, caminhões com elevador de caçamba/roll-on-off)



