Entrega rápida
Entrega expressa de 30 dias



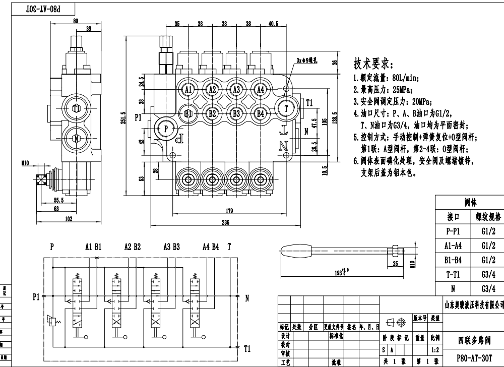
A Válvula Direcional Monobloco Manual de 4 Carretéis P80-G34-G12-AT-3OT é uma válvula hidráulica de alto desempenho projetada para aplicações exigentes em diversas indústrias. Com uma vazão nominal de 80 L/min e uma pressão máxima de 250 bar, ela proporciona controle confiável e eficiente de sistemas hidráulicos. O design monobloco garante uma construção compacta e robusta, tornando-a adequada para uso em aplicações com espaço limitado.
| Série P80 Válvula Direcional Monobloco Parameters | |
|---|---|
| Carrétel | 1 carretel, 2 carretéis, 3 carretéis, 4 carretéis, 5 carretéis, 6 carretéis, 7 carretéis |
| Método de Controle | Manual, Pneumático, Eletropneumático, Eletrohidráulico, Solenoide, Hidráulico, Hidráulico e Manual, Cabo, Joystick |
| Tamanho da Porta | G1/2, G3/4, M22×1.5, M27×2.0, SAE 10, 1/2 NPT, 3/4 NPT |
| Secção | 1 secção, 2 secções, 3 secções, 4 secções, 5 secções, 6 secções, 7 secções |
| Intervalo de temperatura ambiente | -40 °C a +80 °C (-40 °F a +176 °F) |
| Intervalo de viscosidade operacional | 15 - 75 mm²/s (15 cSt a 75 cSt) |
| Pressão Máxima | 315 bar (4600 psi) |
| Fluxo Nominal | 80 L/min (21,2 US gpm) |
| Tipo de estrutura | Válvula monobloco |
| Porta de Entrada | G1/2, G3/4, M27×2.0, SAE 10, SAE 12, 1/2 NPT, 3/4 NPT |
**Características e Benefícios do Produto:**
* Controle manual para operação precisa e responsiva
* Design de 4 carretéis para controle de vazão versátil
* Construção monobloco para compacidade e durabilidade
* Alta capacidade de vazão de 80 L/min para operação eficiente do sistema
* Pressão máxima de 250 bar para aplicações exigentes
* Ampla faixa de viscosidade operacional de 15 - 75 mm²/s para compatibilidade com vários fluidos hidráulicos
* Faixa de temperatura operacional de -40°C a +80°C para desempenho confiável em ambientes agressivos
**Aplicações:**
A Válvula Direcional Monobloco Manual de 4 Carretéis P80-G34-G12-AT-3OT é amplamente utilizada em sistemas hidráulicos para uma variedade de aplicações, incluindo:
* Equipamentos de movimentação de materiais
* Máquinas de construção
* Máquinas agrícolas
* Veículos industriais



