Entrega rápida
Entrega expressa de 30 dias



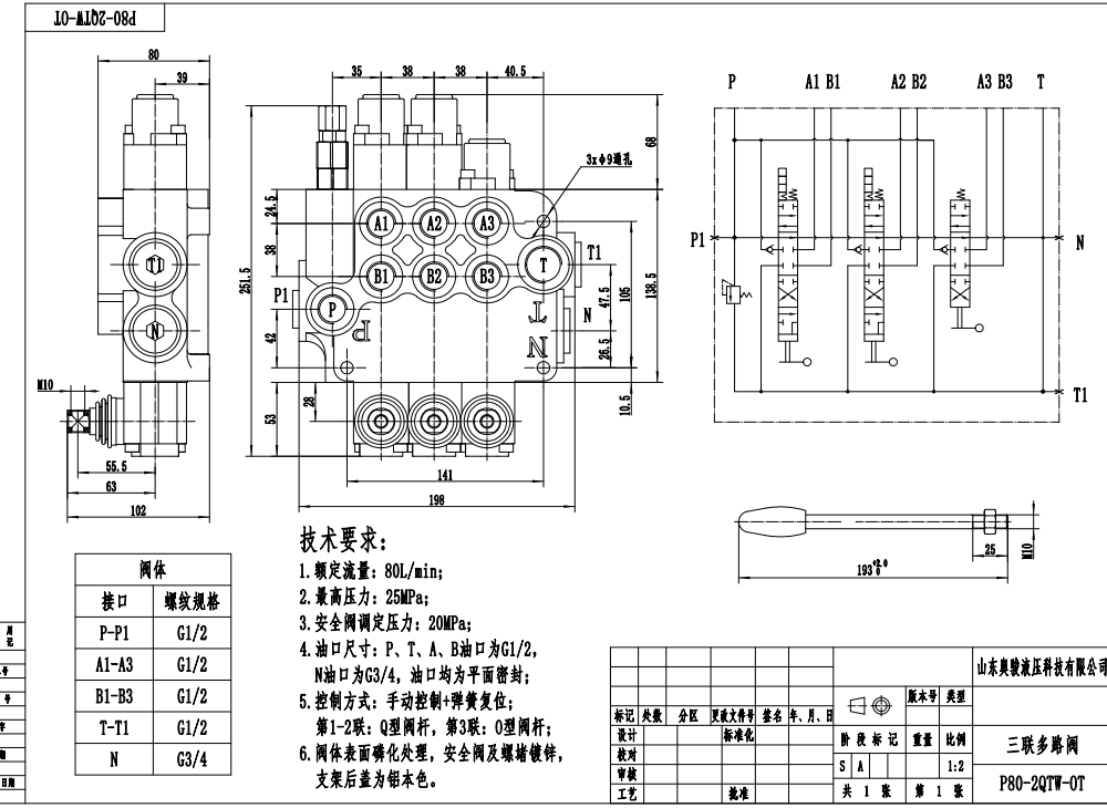
A P80-G12-2QTW-OT é uma válvula direcional monobloco manual de 3 carretéis projetada para sistemas hidráulicos. Ela oferece uma vazão nominal de 80 L/min, uma pressão máxima de 250 bar e uma faixa de viscosidade operacional de 15 - 75 mm²/s. Esta válvula é comumente utilizada em diversas aplicações em indústrias como manuseio de materiais, construção, terraplenagem e agricultura.
| Série P80 Válvula Direcional Monobloco Parameters | |
|---|---|
| Carrétel | 1 carretel, 2 carretéis, 3 carretéis, 4 carretéis, 5 carretéis, 6 carretéis, 7 carretéis |
| Método de Controle | Manual, Pneumático, Eletropneumático, Eletrohidráulico, Solenoide, Hidráulico, Hidráulico e Manual, Cabo, Joystick |
| Tamanho da Porta | G1/2, G3/4, M22×1.5, M27×2.0, SAE 10, 1/2 NPT, 3/4 NPT |
| Secção | 1 secção, 2 secções, 3 secções, 4 secções, 5 secções, 6 secções, 7 secções |
| Intervalo de temperatura ambiente | -40 °C a +80 °C (-40 °F a +176 °F) |
| Intervalo de viscosidade operacional | 15 - 75 mm²/s (15 cSt a 75 cSt) |
| Pressão Máxima | 315 bar (4600 psi) |
| Fluxo Nominal | 80 L/min (21,2 US gpm) |
| Tipo de estrutura | Válvula monobloco |
| Porta de Entrada | G1/2, G3/4, M27×2.0, SAE 10, SAE 12, 1/2 NPT, 3/4 NPT |
**Características e Benefícios do Produto:**
* Controle manual para operação precisa
* Construção monobloco para durabilidade e tamanho compacto
* Alta capacidade de vazão de 80 L/min para desempenho eficiente do sistema
* Pressão máxima de 250 bar para aplicações exigentes
* Ampla faixa de viscosidade operacional para compatibilidade com diversos fluidos hidráulicos
* Adequado para temperaturas ambiente que variam de -40°C a +80°C
**Aplicações:**
A válvula direcional manual P80-G12-2QTW-OT é amplamente utilizada em sistemas hidráulicos de máquinas móveis e industriais, incluindo:
* Equipamentos de manuseio de materiais, como empilhadeiras, manipuladores telescópicos e guindastes
* Máquinas de construção e terraplenagem, como escavadeiras, carregadeiras e motoniveladoras
* Máquinas agrícolas, como tratores, colheitadeiras e enfardadeiras
* Veículos industriais, como varredoras, compactadores de lixo e caminhões-guincho



