Entrega rápida
Entrega expressa de 30 dias



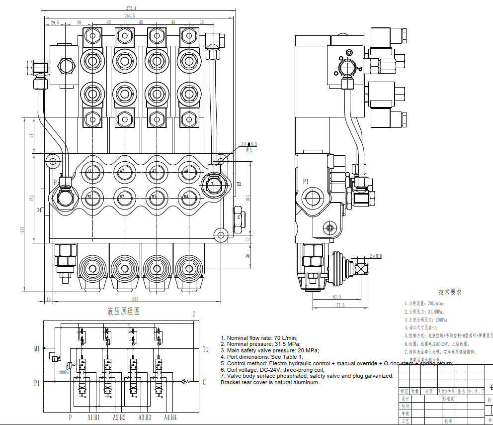
A SD11-PG2 é uma válvula direcional monobloco eletro-hidráulica de 4 carretéis de alto desempenho, classificada para 70 L/min e 315 bar. Ideal para uma ampla gama de aplicações em manuseio de materiais, construção, agricultura e veículos industriais, esta válvula robusta oferece controle confiável e operação precisa em ambientes exigentes.
| Série SD11 Válvula Direcional Monobloco Parameters | |
|---|---|
| Método de Controle | Manual, Pneumático, Eletropneumático, Eletrohidráulico, Solenoide, Hidráulico, Hidráulico e Manual, Cabo, Joystick, Elétrico |
| Carrétel | 1 carretel, 2 carretéis, 3 carretéis, 4 carretéis, 5 carretéis |
| Fluxo Nominal | 70 L/min (18,5 US gpm) |
| Pressão Máxima | 315 bar (4600 psi) |
| Porta de Entrada | G3/4, SAE 12 |
| Porta de Saída | G3/4, SAE 12 |
| Tamanho da Porta | G3/4, SAE 12 |
| Secção | 1 secção, 2 secções, 3 secções, 4 secções, 5 secções, 6 secções, 7 secções |
| Tipo de estrutura | Válvula monobloco |
| Intervalo de temperatura ambiente | -40 °C a +60 °C (-40 °F a +140 °F) |
| Intervalo de viscosidade operacional | 15 - 75 mm²/s (15 cSt a 75 cSt) |
A Válvula Direcional Monobloco Eletro-hidráulica de 4 Carretéis SD11-PG2 é um componente de controle hidráulico de alto desempenho projetado para aplicações exigentes. Sua construção monobloco garante alta resistência e confiabilidade, enquanto o controle eletro-hidráulico proporciona operação precisa e responsiva. Com um fluxo nominal de 70 L/min e uma pressão máxima de 315 bar, é adequada para uma variedade de equipamentos móveis. A ampla faixa de viscosidade de operação (15-75 mm²/s) e a faixa de temperatura ambiente (-40°C a +60°C) a tornam adaptável a diversas condições de operação. O design de 4 carretéis oferece funcionalidades de controle versáteis, tornando-a adequada para vários circuitos hidráulicos. Esta válvula é ideal para integração OEM em empilhadeiras, manipuladores telescópicos, minicarregadeiras, carregadeiras de rodas compactas, mini escavadeiras, tratores, colheitadeiras e enfardadeiras. Seu design compacto, construção robusta e desempenho confiável a tornam uma solução econômica para melhorar a eficiência e a produtividade de suas máquinas. Oferecemos fabricação, OEM, rotulagem privada, personalização e opções de atacado, e estamos buscando ativamente distribuidores, atacadistas, agentes e parceiros comerciais globalmente.



