Entrega rápida
Entrega expressa de 30 dias



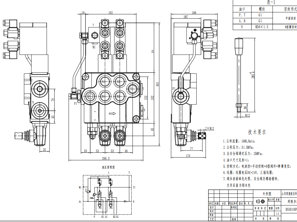
A Válvula Direcional Monobloco Elétrica SD18 de 2 Vias é uma válvula hidráulica de alto desempenho e confiável, ideal para diversas aplicações na construção, veículos industriais e agricultura. Apresentando um design robusto e alta vazão (160 L/min), oferece controle preciso e excelente durabilidade em ambientes exigentes.
| SD18 Series Válvula Direcional Monobloco Parameters | |
|---|---|
| Método de Controle | Manual, Pneumático, Eletropneumático, Eletrohidráulico, Hidráulico, Hidráulico e Manual, Cabo, Joystick |
| Carrétel | 1 carretel, 2 carretéis, 3 carretéis, 4 carretéis |
| Fluxo Nominal | 160 L/min (42,2 US gpm) |
| Pressão Máxima | 305 bar (4400 psi) |
| Porta de Entrada | G1/2, G1, SAE 16 |
| Porta de Saída | G1, SAE 16 |
| Tamanho da Porta | G1, SAE 16 |
| Secção | 1 secção, 2 secções, 3 secções, 4 secções |
| Tipo de estrutura | Válvula monobloco |
| Intervalo de temperatura ambiente | -40 °C a +80 °C (-40 °F a +176 °F) |
| Intervalo de viscosidade operacional | 12 - 400 mm²/s (12 cSt a 400 cSt) |
A Válvula Direcional Monobloco Elétrica SD18 de 2 Vias é uma solução compacta e eficiente para o controle de sistemas hidráulicos. Seu controle elétrico oferece operação precisa e responsiva, tornando-a ideal para aplicações que exigem controle preciso de movimento. As principais características incluem:
* **Alta Vazão:** 160 L/min (42,2 US gpm) garante operação rápida e eficiente.
* **Alta Pressão Nominal:** 315 bar (4600 psi) oferece desempenho robusto sob cargas pesadas.
* **Ampla Faixa de Viscosidade de Operação:** 12 - 400 mm²/s (12 cSt a 400 cSt) permite o uso com vários fluidos hidráulicos.
* **Construção Monobloco Robusta:** Garante durabilidade e resistência a choques e vibrações.
* **Ampla Faixa de Temperatura:** -40°C a +80°C (-40°F a +176°F) permite a operação em ambientes extremos.
* **Aplicação Versátil:** Adequada para uma ampla gama de aplicações, incluindo miniescavadeiras, carregadeiras skid steer, carregadeiras compactas e de rodas, retroescavadeiras, tratores, colheitadeiras e manipuladores telescópicos. Seu tamanho compacto a torna adequada para aplicações com restrição de espaço.
* **Fácil Integração:** Instalação e integração simples em sistemas hidráulicos existentes.
A SD18 oferece desempenho superior, confiabilidade e facilidade de uso. Seu design robusto e altas especificações a tornam uma excelente escolha para aplicações exigentes onde controle preciso e longa vida útil são essenciais. Entre em contato conosco para discutir suas necessidades específicas e explorar soluções personalizadas.



