Entrega rápida
Entrega expressa de 30 dias



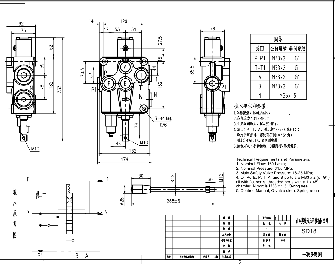
A Válvula Direcional Monobloco Manual SD18 de 1 Carretel é uma válvula compacta e confiável projetada para uso em uma ampla gama de aplicações hidráulicas. Com uma vazão nominal de 120 L/min e uma pressão máxima de 315 bar, é adequada para uso em sistemas com requisitos moderados de vazão e pressão.
| SD18 Series Válvula Direcional Monobloco Parameters | |
|---|---|
| Método de Controle | Manual, Pneumático, Eletropneumático, Eletrohidráulico, Hidráulico, Hidráulico e Manual, Cabo, Joystick |
| Carrétel | 1 carretel, 2 carretéis, 3 carretéis, 4 carretéis |
| Fluxo Nominal | 160 L/min (42,2 US gpm) |
| Pressão Máxima | 305 bar (4400 psi) |
| Porta de Entrada | G1/2, G1, SAE 16 |
| Porta de Saída | G1, SAE 16 |
| Tamanho da Porta | G1, SAE 16 |
| Secção | 1 secção, 2 secções, 3 secções, 4 secções |
| Tipo de estrutura | Válvula monobloco |
| Intervalo de temperatura ambiente | -40 °C a +80 °C (-40 °F a +176 °F) |
| Intervalo de viscosidade operacional | 12 - 400 mm²/s (12 cSt a 400 cSt) |
**Características e Benefícios do Produto:**
* Design compacto e leve
* Controle manual para operação precisa e responsiva
* Construção monobloco para durabilidade e confiabilidade
* Vazão nominal de 120 L/min para operação eficiente do sistema
* Pressão máxima de 315 bar para uso em aplicações exigentes
* Faixa de viscosidade operacional de 12 - 400 mm²/s para compatibilidade com uma ampla gama de fluidos
* Faixa de temperatura ambiente de -40°C a +80°C para uso em ambientes agressivos
* 1 carretel para versatilidade e controle
**Aplicações:**
A Válvula Direcional Monobloco Manual SD18 de 1 Carretel é adequada para uso em uma variedade de aplicações hidráulicas, incluindo:
* Equipamentos de manuseio de materiais
* Equipamentos de construção e terraplenagem
* Máquinas agrícolas
* Veículos industriais



