Entrega rápida
Entrega expressa de 30 dias



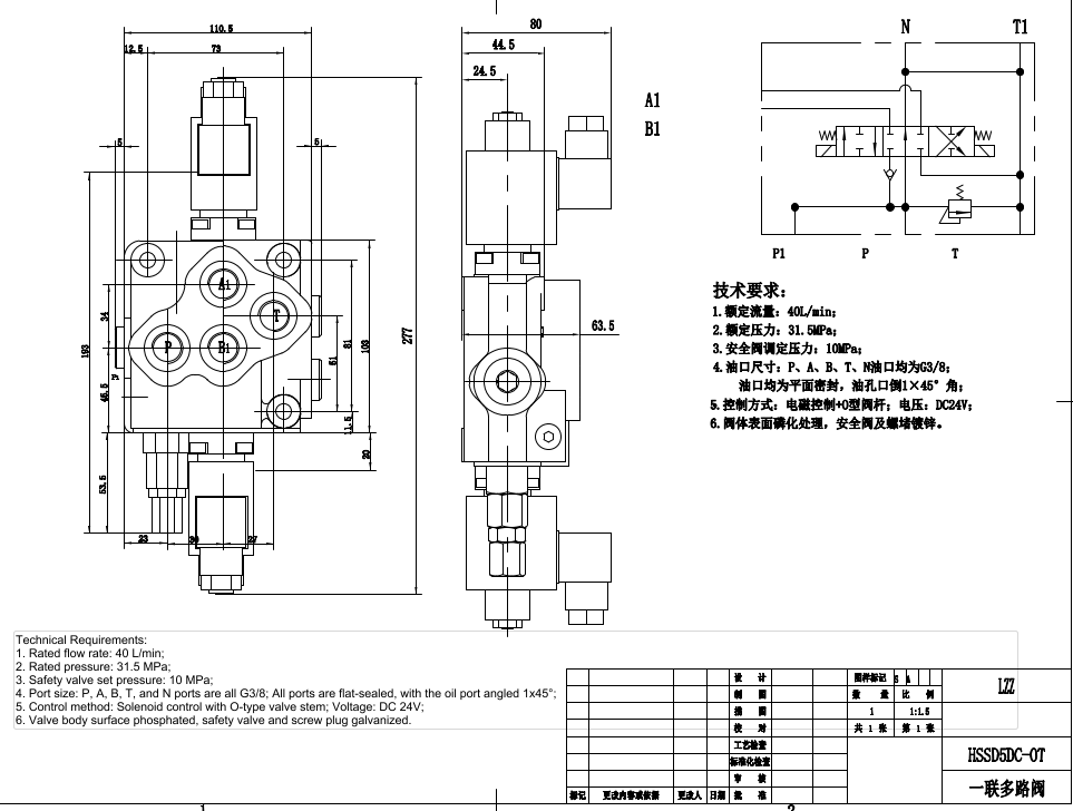
A Válvula Direcional Monobloco de 1 Carretel Solenoide SD5 é uma válvula de seção única, operada por solenoide, com um fluxo nominal de 40 L/min (10.5 US gpm) e uma pressão máxima de 305 bar (4400 psi). É adequada para uma ampla gama de aplicações em manuseio de materiais, construção, agricultura e veículos industriais, como manipuladores telescópicos, empilhadeiras, guindastes, empilhadores e plataformas aéreas.
| Série SD5 Válvula Direcional Monobloco Parameters | |
|---|---|
| Método de Controle | Manual, Pneumático, Eletropneumático, Eletrohidráulico, Solenoide, Hidráulico, Hidráulico e Manual, Cabo, Joystick |
| Carrétel | 1 carretel, 2 carretéis, 3 carretéis, 4 carretéis, 5 carretéis, 6 carretéis |
| Fluxo Nominal | 40 L/min (10,5 US gpm) |
| Pressão Máxima | 305 bar (4400 psi) |
| Porta de Entrada | G3/8, G1/2, M18×1.5, M20×1.5, SAE 6, SAE 8, G1-1/2 |
| Porta de Saída | G3/8, G1/2, M18×1.5, M20×1.5, SAE 6, SAE 8 |
| Tamanho da Porta | G3/8, G1/2, M18×1.5, M20×1.5, SAE 6, SAE 8 |
| Secção | 1 secção, 2 secções, 3 secções, 4 secções, 5 secções, 6 secções, 7 secções |
| Tipo de estrutura | Válvula monobloco |
| Intervalo de temperatura ambiente | -40 °C a +60 °C (-40 °F a +140 °F) |
| Intervalo de viscosidade operacional | 15 - 75 mm²/s (15 cSt a 75 cSt) |
**Características e Benefícios do Produto:**
* Design compacto e leve
* Alta capacidade de fluxo
* Baixa queda de pressão
* Excelente desempenho de vedação
* Longa vida útil
**Aplicações:**
* Equipamentos de manuseio de materiais
* Máquinas de construção
* Máquinas agrícolas
* Veículos industriais



