Entrega rápida
Entrega expressa de 30 dias



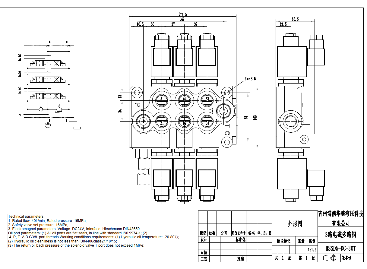
A Válvula Direcional Monobloco Solenóide de 3 Bobinas SD5 é uma válvula hidráulica de alto desempenho projetada para aplicações exigentes. Com uma vazão nominal de 40 L/min e uma pressão máxima de 305 bar, oferece excelente controle de fluxo e capacidades de manuseio de pressão. O design monobloco compacto da válvula garante durabilidade e confiabilidade em condições operacionais adversas.
| Série SD5 Válvula Direcional Monobloco Parameters | |
|---|---|
| Método de Controle | Manual, Pneumático, Eletropneumático, Eletrohidráulico, Solenoide, Hidráulico, Hidráulico e Manual, Cabo, Joystick |
| Carrétel | 1 carretel, 2 carretéis, 3 carretéis, 4 carretéis, 5 carretéis, 6 carretéis |
| Fluxo Nominal | 40 L/min (10,5 US gpm) |
| Pressão Máxima | 305 bar (4400 psi) |
| Porta de Entrada | G3/8, G1/2, M18×1.5, M20×1.5, SAE 6, SAE 8, G1-1/2 |
| Porta de Saída | G3/8, G1/2, M18×1.5, M20×1.5, SAE 6, SAE 8 |
| Tamanho da Porta | G3/8, G1/2, M18×1.5, M20×1.5, SAE 6, SAE 8 |
| Secção | 1 secção, 2 secções, 3 secções, 4 secções, 5 secções, 6 secções, 7 secções |
| Tipo de estrutura | Válvula monobloco |
| Intervalo de temperatura ambiente | -40 °C a +60 °C (-40 °F a +140 °F) |
| Intervalo de viscosidade operacional | 15 - 75 mm²/s (15 cSt a 75 cSt) |
**Características e Benefícios:**
* Design monobloco compacto para durabilidade e confiabilidade
* Design de 3 bobinas para controle de fluxo versátil
* Controle solenóide para operação precisa e responsiva
* Vazão nominal de 40 L/min para manuseio eficiente de fluidos
* Pressão máxima de 305 bar para aplicações exigentes
* Faixa de viscosidade operacional de 15 - 75 mm²/s para compatibilidade com vários fluidos
* Faixa de temperatura ambiente de -40°C a +60°C para operação em condições extremas
**Aplicações:**
* Sistemas hidráulicos móveis
* Máquinas industriais
* Equipamentos de construção
* Máquinas agrícolas
* Equipamentos de movimentação de materiais



