A Válvula Direcional Monobloco VMS140 destaca-se pela sua confiabilidade e desempenho em aplicações hidráulicas exigentes. Sua construção monobloco garante uma pegada compacta, pontos de vazamento potenciais reduzidos e instalação simplificada, contribuindo para a eficiência e durabilidade geral do sistema hidráulico.
Principais Características e Vantagens:
- Controle Pneumático: Oferece operação remota precisa e responsiva, aumentando o conforto e a segurança do operador em diversas máquinas.
- Design Monobloco Robusto: Proporciona integridade estrutural e um formato compacto, ideal para instalações com espaço restrito, minimizando os pontos de conexão.
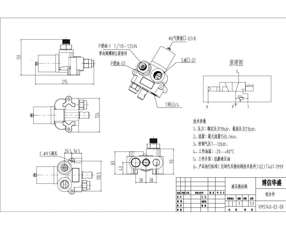
- Alto Desempenho: Capaz de lidar com um fluxo nominal de 150 L/min (39.6 US gpm) e uma pressão máxima de 230 bar (3300 psi), tornando-a adequada para tarefas pesadas.
- Configuração de Carretel Único: Simplifica o controle de uma função hidráulica específica, como elevação, inclinação ou extensão, proporcionando operação direta.
- Ampla Faixa de Operação: Funciona de forma confiável em uma faixa de temperatura ambiente de -20°C a +80°C (-4°F a +176°F) e uma faixa de viscosidade operacional de 15 a 75 cSt, garantindo desempenho consistente em diversas condições ambientais e de fluido.
- Portas Padrão: Equipada com uma porta de entrada SAE 12 e uma porta de saída G3/4, juntamente com um tamanho de porta geral G1, facilitando a integração com os circuitos hidráulicos existentes.
Cenários de Aplicação:
Esta válvula versátil é projetada para uma ampla gama de máquinas móveis e industriais. É uma excelente escolha para sistemas que exigem controle robusto e preciso de atuadores hidráulicos. As aplicações típicas incluem:
- Equipamentos de Manuseio de Materiais: Usada em empilhadeiras, manipuladores telescópicos e empilhadores para controlar funções de elevação, inclinação ou auxiliares.
- Máquinas de Construção e Terraplanagem: Ideal para mini-escavadeiras, carregadeiras compactas, carregadeiras de rodas compactas e retroescavadeiras para gerenciar movimentos de acessórios ou linhas hidráulicas auxiliares.
- Máquinas Agrícolas: Adequada para tratores, carregadeiras frontais e colheitadeiras, fornecendo energia e controle hidráulico para vários implementos e funções.
- Veículos Industriais: Aplicável em uma variedade de veículos industriais personalizados e especializados que necessitam de controle direcional hidráulico confiável e compacto para ações únicas.
Como fabricante líder, estamos comprometidos em fornecer soluções hidráulicas de alta qualidade. Oferecemos serviços flexíveis, incluindo fabricação, produção OEM/private label e soluções personalizadas para atender às necessidades específicas do cliente. Estamos ativamente buscando distribuidores globais, atacadistas, agentes e comerciantes para fazer parceria conosco e expandir o alcance de nossos produtos hidráulicos avançados como a válvula VMS140.



