Entrega rápida
Entrega expressa de 30 dias



A Tomada de Força ZF50C é uma unidade de TDF robusta e controlada pneumaticamente, projetada para aplicações industriais e móveis globais exigentes. Entregando um potente torque de saída de 479.7 Nm com montagem padrão e lubrificação sob pressão, ela fornece energia auxiliar confiável para uma ampla gama de máquinas pesadas na construção, agricultura, movimentação de materiais e outros setores industriais.
| Série ZF50 Tomada de Força Parameters | |
|---|---|
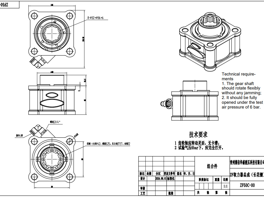
| Pressão de Ar de Controle | 6 bar |
| Tipo de Montagem | 4 parafusos |
| Sentido de Saída | Oposto ao sentido de rotação do motor |
| Forma de Acionamento | Pneumático (cilindro de ação simples) retorno por mola |
| Relação de Velocidade | 1:1 |
| Torque de Saída Nominal | 479.7 Nm |
| Opção de Lubrificação | Lubrificação por Pressão |
| Opção de Montagem | Montagem Padrão |
Como fabricante global líder, temos o orgulho de apresentar a Tomada de Força ZF50C, uma solução de alto desempenho projetada para confiabilidade e eficiência em diversas aplicações industriais e móveis. Oferecemos serviços completos de fabricação, OEM, ODM, personalizados e atacado, e estamos buscando ativamente distribuidores, atacadistas, agentes e comerciantes globais.
**Características e Vantagens do Produto:**
* **Alto Torque de Saída Nominal:** Com um robusto 479.7 Nm, a ZF50C é projetada para lidar com requisitos de potência exigentes em aplicações de serviço pesado, garantindo desempenho ideal.
* **Controle Pneumático (Cilindro de Ação Simples com Retorno por Mola):** Oferece engate/desengate preciso e confiável. O cilindro de ação simples com mecanismo de retorno por mola proporciona operação simples, eficaz e segura. Ele opera eficientemente com uma pressão de ar de controle de 6 bar.
* **Opção de Lubrificação sob Pressão:** Esta característica crítica garante lubrificação contínua e eficaz aos componentes internos, prolongando significativamente a vida útil da unidade de TDF, especialmente sob condições de carga contínua e pesada.
* **Opção de Montagem Padrão:** Facilita a fácil integração com uma ampla gama de motores e transmissões, reduzindo o tempo e os custos de instalação.
* **Relação de Velocidade 1:1:** Proporciona transferência de potência direta e eficiente do motor para o equipamento auxiliar sem redução ou amplificação de velocidade.
* **Sentido de Saída Oposto ao Motor:** Projetado para compatibilidade específica do sistema, garantindo a direção de rotação correta para os componentes acionados.
* **Construção Durável:** Construído com materiais de alta qualidade para suportar ambientes operacionais agressivos e proporcionar confiabilidade a longo prazo.
**Cenários de Aplicação:**
Nossa Tomada de Força ZF50C é um componente indispensável para uma infinidade de indústrias e tipos de veículos que exigem potência hidráulica auxiliar ou acionamento mecânico:
* **Construção e Terraplanagem:** Ideal para alimentar bombas hidráulicas em Guindastes Todo-Terreno, Carregadeiras de Rodas, Retroescavadeiras, Caminhões Basculantes, Motoniveladoras e Bombas de Concreto com Lança.
* **Movimentação de Materiais:** Essencial para fornecer energia auxiliar para Manipuladores Telescópicos e Empilhadeiras para vários acessórios e funções.
* **Agricultura:** Crucial para Tratores e Carregadeiras Frontais, Colheitadeiras, Enfardadeiras e Pulverizadores, acionando implementos e sistemas hidráulicos.
* **Veículos Industriais:** Adequado para vários veículos especializados que necessitam de energia confiável para guinchos, compressores, compactadores de lixo e outros equipamentos auxiliares. A ZF50C garante que essas máquinas operem com máxima eficiência e tempo de inatividade mínimo.



